| |

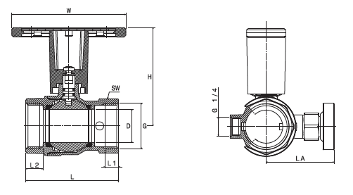
Dimensions in mm
| 491 E FF THERMO | G | D | L | L1 | L2 | LA | SW | W | H |
| 49104 E FF THERMO |
1/2” |
15 |
52 |
8,6 |
10,4 |
47 |
25 |
84 |
65 |
| 49106 E FF THERMO |
3/4” |
20 |
60 |
9,2 |
11 |
50 |
31 |
84 |
69 |
| 49108 E FF THERMO |
1” |
25 |
68 |
10,2 |
12,5 |
53,5 |
38 |
84 |
72 |
| 49110 E FF THERMO |
1 1/4” |
32 |
83 |
12,5 |
14,8 |
58 |
47 |
87 |
87 |
| 49112 E FF THERMO |
1 1/2” |
40 |
92 |
13,5 |
15,8 |
61 |
53 |
87 |
92 |
| 49116 E FF THERMO |
2” |
50 |
109 |
15,7 |
18 |
67 |
66 |
169 |
83 |
|