
Pressure Rating: MOP 5 (72,5 psi) gas Fig. 595
MOP 5 GT1 (high temperature resistant 1 bar - 14,5 psi) gas Fig. 595 HT
Temperature Rating max. 60°C (140°F) gas
Min. / max. ambient Temperature -20°C to +60°C (-4°F to +140°F) gas
Brass Body
Full Bore
Threaded Ends according to ISO 7
Blow Out Proof Stem
Chrome Plated Ball
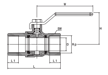
Length M3 according to DIN 3202-4 and DIN 3357-4
Female Ends
With yellow Steel Handle for Gas
![]() |
Dimensions in mm
|









