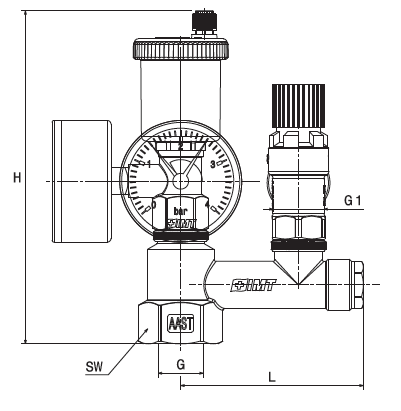
108 - Gruppo di sicurezza caldaia "KSG"
Consisting of:
Pressure Relief Valve Fig. 13104 (TÜV approved)
Automatic Air Vent “MINIVAL“ Fig.12103
Pressure Gauge Fig. 100
Stopvalve
Insulation Cover in EPP
Selftightening Thread and Nut
Pressure relief setting 3 bar (43,5 psi)
Temperature Rating max. 110°C (230°F) water (no steam)
Max. heating capacity of the system 50 kW
Brass Body
Description
|
Dimensions in mm
|







