115 - Automatic Air Vent for Radiators
Air Vent in Full Metal Design
Structural Pressure 12 bar (174 psi)
Working Pressure 2,5 bar (36,3 psi)
Temperature Rating max. 110°C (230°F) water (no steam)
Chrome Plated Brass body and cap
Hygroscopic Relief Cap
Fluid: water and water/glycol mixtures (30%).
Description
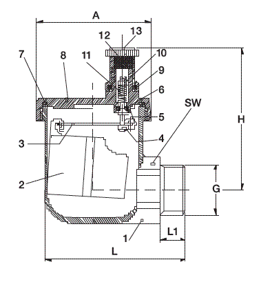
![]() |
1 Cu Zn 40 Pb 2 - DIN EN 12165 | 8 Cu Zn 40 Pb 2 - DIN EN 12165 |
| 2 Polypropylene | 9 NBR 70 Shore | |
| 3 Stainlees Steel | 10 Polyacetalic | |
| 4 Cu Zn 39 Pb 3 - DIN EN 12164 | 11 Stainlees Steel | |
| 5 Stainlees Steel | 12 Prespan | |
| 6 NBR 60 Shore | 13 Cu Zn 39 Pb 3 - DIN EN 12164 | |
| 7 NBR 70 Shore |
|
Dimensions in mm
|








