581 MF - Mini Ball Valve Female/Male Ends
Pressure Rating PN 10 (145 psi) *
Temperature Rating max. 90°C (194°F) water (no steam)
Other versions for higher temperatures on demand
Chrome Plated Body from Barstock
Reduced Bore
Nickel Plated Ball
Female/male Ends with black Aluminiun handle
* 18°C (64,4°F) water
Description
|
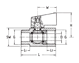
Dimensions in mm
|







