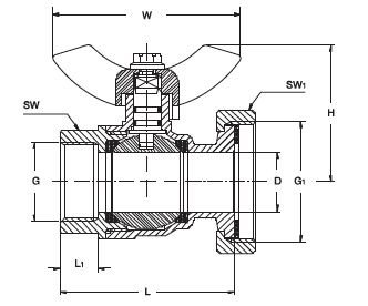
591 FFL F - 591 FFL FS - Pumpenflanschkugelhahn mit/ohne Schwerkraftbremse

Druck PN 30*
Max._Temperatur 100°C Wasser
Gehäuse aus Pressmessing, gelb
Gewinde nach ISO 228
Innengewinde x Flanschanschluss
Mit Überwurfmutter 1 1/2” und Dichtung
Mit Flügelgriff aus Aluminium, rot
Art. 59108 FFL F: ohne Schwerkraftbremse
Art. 59108 FFL FS: mit Schwerkraftbremse
* 18°C Wasser
![]() |
Masse in mm
|


